

Описание и характеристики
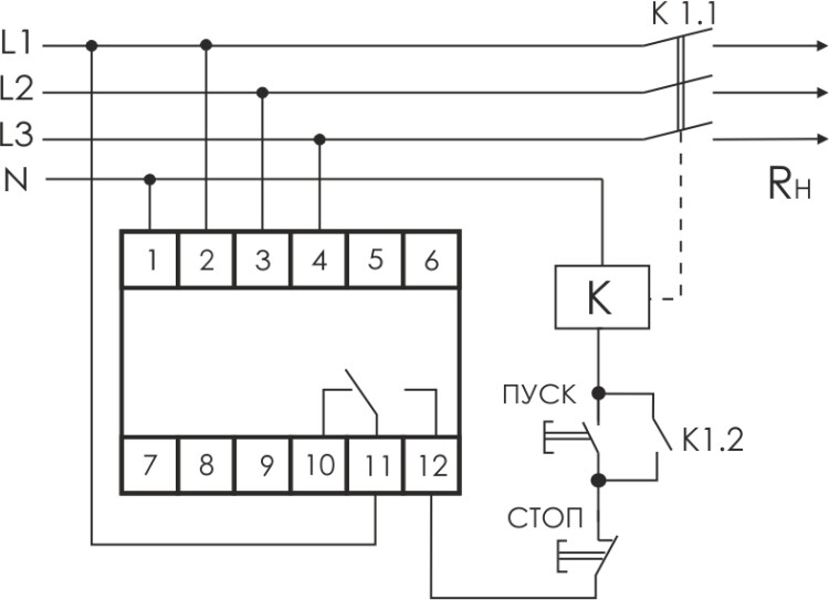
Реле контроля напряжения предназначено для непрерывного контроля величины напряжения в сети переменного тока в трехфазной сети и защиты электроустановок, электроприборов и т.п. путем отключения напряжения питания при выходе его за установленные пределы. СР-730 защищает также электроустановки при обрыве нулевого провода. Реле включено, если контролируемое напряжение находится в требуемом диапазоне. Диапазон (верхнее и нижнее значение) устанавливаетя с помощью потенциометров, расположенных на передней панели. При циклической нестабильности питания (выход напряжения питания за установленные пределы от 10 и более раз в течение минуты) реле отключает питание от потребителя на 10 минут. Включение реле происходит автоматически, после восстановления сетевого напряжения., трехфазное, контроль верхнего и нижнего значений напряжения, 3 модуля, монтаж на DIN-рейке 3х400/230+N 8А 1NO/NC IP20 Евроавтоматика ФиФ
Бренд
Евроавтоматика ФиФ
Высота
90 мм
Гистерезис
5 В
Показать все характеристики