

Описание и характеристики
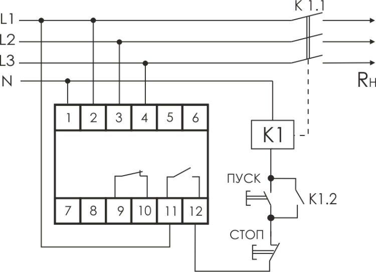
Реле напряжения предназначено для непрерывного контроля величины напряжения переменного тока в трехфазной сети и защиты электроустановок, электроприборов и т.п. путем отключения напряжения питания при выходе его за установленные пределы. СР-731 защищает также электроустановки при обрыве нулевого провода, нарушения чередования фаз, слипания фаз. Нагрузка подключена, если контролируемое напряжение находится в требуемом диапазоне. Диапазон (верхнее и нижнее значение) устанавливается с помощью потенциометров, расположенных на передней панели. Включение реле происходит автоматически, после восстановления сетевого напряжения., трехфазное, контроль верхнего и нижнего значений напряжения, контроль ассиметрии,чередования фаз, 3 модуля, монтаж на DIN-рейке 3х400/230+N 2х8А 1NO, 1NC IP20 Евроавтоматика ФиФ
Бренд
Евроавтоматика ФиФ
Высота
90 мм
Гистерезис
5 В
Показать все характеристики