

Описание и характеристики
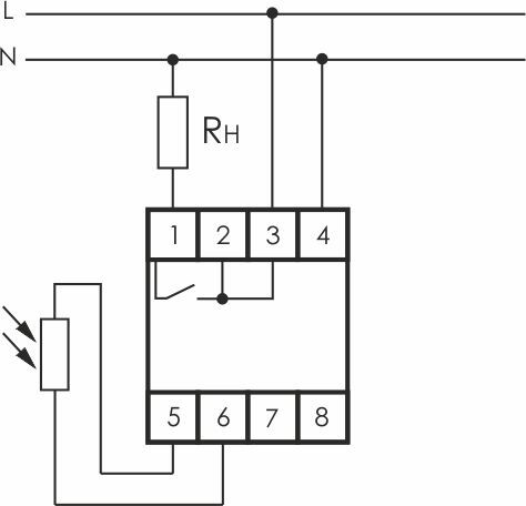
Для автоматического включения освещения (нагрузки) в сумерки и выключения на рассвете, выносной герметичный фотодатчик, 2 модуля, монтаж на DIN-рейке 230В 16А 1NO IP20 Евроавтоматика ФиФ
Бренд
Евроавтоматика ФиФ
Диапазон регулировки освещенности
2...100 лк
Задержка включения
2...5 с
Показать все характеристики