

Описание и характеристики
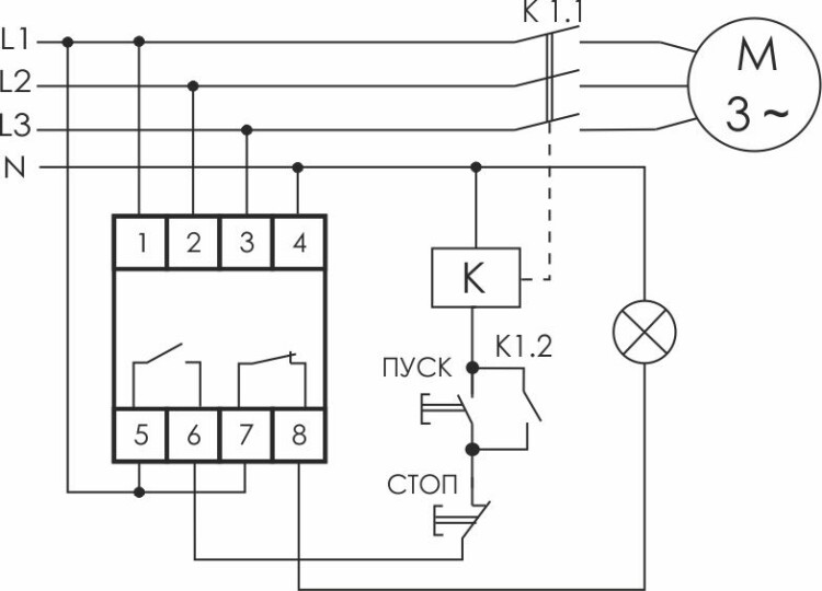
Реле контроля фаз предназначено для защиты электродвигателей и электроустановок, питаемых от трехфазной сети в случаях: 1.отсутствия хотя бы одной из фаз, 2.асимметрии напряжения, 3.повышения напряжения более 260В, 4.снижения напряжения ниже 160В. Регулируемая асимметрия и времени отключения, контроль верхнего и нижнего значений напряжения, 2 модуля, монтаж на DIN-рейке 3х400/230+N 8А 1NO, 1NC IP20 Евроавтоматика ФиФ
Бренд
Евроавтоматика ФиФ
Высота
90 мм
Глубина
65 мм
Показать все характеристики