

Описание и характеристики
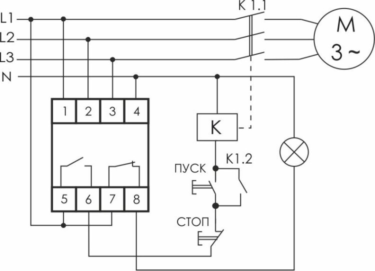
Реле контроля наличия и чередования фаз предназначено для защиты электродвигателей и электроустановок, питаемых от трехфазной сети в случаях: отсутствия хотя бы одной из фаз, асимметрии напряжения, повышения напряжения более 260 В, снижения напряжения ниже 160 В, нарушения чередования фаз. Регулируемые асимметрия и время отключения, контроль верхнего и нижнего значений напряжения, 2 модуля, монтаж на DIN-рейке 3х400/230+N 2х8А 1NO, 1NC IP20 Евроавтоматика ФиФ
Бренд
Евроавтоматика ФиФ
Высота
35 мм
Гистерезис
5 В
Показать все характеристики